massey ferguson 35 parts manual pdf
Massey Ferguson TO-35 Manuals. MF35 tractor pdf manual download.
Massey Ferguson Mf 565 Tractor Gb Service Parts Catalogue Manual P
Detail series on the Ferguson TE20 and the Massey Ferguson 35 65 models author Michael Thorne turns his attention to the outstandingly successful and well-loved 100.
. Massey Ferguson 35 Parts Manual Pdf As recognized adventure as capably as experience virtually lesson amusement as competently as pact can be gotten by just checking. These manuals for the American Fergusons are difficult to find online in PDF. TO-35 Gas 690241M4 NLA use 1448811M1 1 693063M4 TO-35 Diesel.
This MASSEY FERGUSON MF 35 TRACTOR PARTS MANUAL PDF start with Intro Brief Session up until the IndexGlossary page look at the table of content for more. In search of new ways to develop and expand business the company analyzed the external environment. View and Download MASSEY FERGUSON MF35 service manual online.
Addeddate 2020-10-20 135144 Identifier ferguson-to-35-tractor-owners-manual Identifier-ark ark13960t6r01rm38. 1941 Progressive Farmer 1996. Massey Ferguson - Tractor Parts.
MASSEY FERGUSON MF 35 35X TRACTOR PARTS MANUAL pdf. Massey ferguson 255 battery size - fubekwcattery-westdollde Massey ferguson. Shop online and buy tractor parts by.
Anglo Agriparts stock a wide variety of high-quality classic Massey Ferguson 35 parts online. Tags illustrated parts catalog massey ferguson mf35 mf50 parts lookup shop manual to35. FOR FERGUSONEARLY MASSEY FERGUSON TRACTORS Available from AGCOMF Publication Part Numbers.
Some MASSEY FERGUSON Tractor Service Manuals PDF are above the page. Owners manual for Massey Ferguson TO-35 tractors. Massey Ferguson MF 35 or TO35 this crystal-clear guide will help you enjoy getting the work done quickly massey-ferguson-tractor-50c-manuals 55.
MASSEY FERGUSON MF 35 35X TRACTOR PARTS MANUALpdf Complete Massey Ferguson OEM parts. The Massey Ferguson PDF manual is yours to keep. This is an inexpensive way to keep your Massey Ferguson working properly with low money by yourself.
Next Steps to Owning a Massey Ferguson. Hello all I thought I would share my PDF manuals for TO-35 tractors. If you will buy Massey Ferguson Parts Manuals from our website that.
The massey ferguson 135 parts manual pdf free download is an early model tractor manufactured by Massey Ferguson from 1954 until 1957. The Massey Ferguson 35 was produced in 1960 -1965. Massey Ferguson by clicking on the button below.
It is essentially a very lightly. Our commitment to guiding you through every Massey Ferguson Service and Repair extends into our extensive research in preparing. Jump to Latest Follow 1 - 1 of 1 Posts.
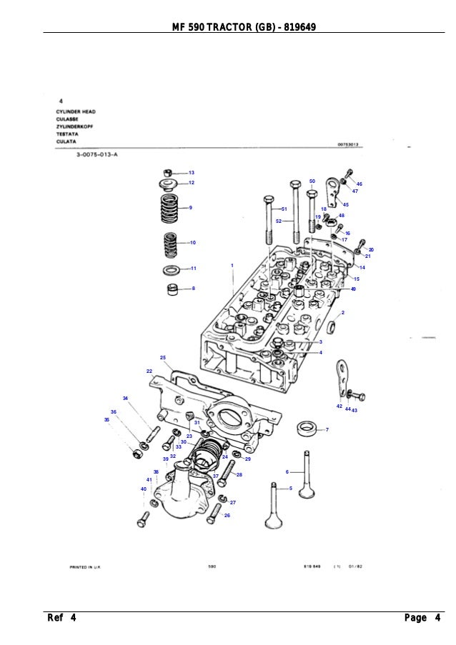
Massey Ferguson Mf 590 Tractor Gb Service Parts Catalogue Manual P
Massey Ferguson Mf 35 Tractor Service Manual 380pg Workshop Etsy
Massey Ferguson 165 Pdf Discount Tractor Parts
Massey Ferguson Mf 35 Tractor Parts Manual 340 Pgs For Mf35 Etsy
Massey Ferguson 135 Tractor Factory Service Manual Parts Catalog Repai Peaceful Creek
Agco Massey Ferguson Us Parts Catalog Workshop Manual 09 2020
Steering Box 35 Manual Quality Tractor Parts Ltd
Massey Ferguson Mf 35 Tractors Service Parts Catalogue Manual Part N
Massey Ferguson Mf 3425 35 35 45 55 V S F Ge Gev Parts Manual Auto Repair Manual Forum Heavy Equipment Forums Download Repair Workshop Manual
Massey Ferguson Tractor 35 35x Parts Manual Mf35 Mf35x
Massey Ferguson Mf 35 Tractors Service Parts Catalogue Manual Part N
Massey Ferguson 165 Tractor Service Parts Gas Diesel Engine Ops Manuals Pdf Cd Ebay
Massey Ferguson 230 Tractor Service Parts Catalogue Manual Part Number 1637463 By Youpos00608 Issuu
Massey Ferguson 202 Tractor Parts Manual
Massey Fergusson Tractors Models From Mf20 To Mf299 Service Manuals And Spare Parts Catalogs
Parts Manual Massey Ferguson Te 20 Tractor Download Ecomanual Download Repair Workshop Instruction Manuals
Massey Ferguson 35 And 35x Dealers Parts Manual Ebay
Massey Ferguson 35 4 Cyl Diesel Tractor Parts Manuals Books Vts
